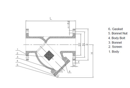
Y-Strainer(Casting type)

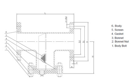
T-Type Strainer

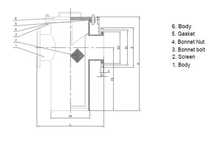
Basket Strainer

| Body style | T-type, Y-type, Basket type |
| Design and Manufacture | ASME B16.34 SH/T 3411 |
| Size Range | 1/2"-32" |
| Pressure Ratings | 150LB-1500LB |
| End Connections | ASME B16.5 ASME B16.25 JB/T 79.1 GB/T 9113 HG/T 20592 |
| Face to Face Dimension | ASME B16.10 GB/T 12221 |
| Inspection and Testing | API 598 GB/T 13927 |
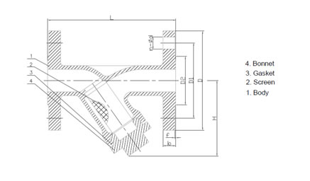
Y-Strainer(Casting type)

T-Type Strainer

Basket Strainer
